HKS樓(lou)地面(mian)保溫(wen)施工(gong)方案(an)
發布(bu)時間(jian):2025-11-21 11:23:26 來源(yuan):浙江(jiang)衆創(chuang)材料(liao) 點擊(ji):0次
樓(lou)地面(mian)保溫(wen)施工(gong)是很(hen)多房(fang)地産(chan)項目(mu)都會(hui)做的(de),為了(le)提高(gao)😸樓♌️地(di)面的(de)保溫(wen)和隔(ge)聲效(xiao)果,采(cai)用了(le)效果(guo)比較(jiao)好的(de)浮築(zhu)樓地(di)面系(xi)統,該(gai)系統(tong)采用(yong)了HKS樓(lou)地面(mian)保溫(wen)隔聲(sheng)闆為(wei)主材(cai)可以(yi)大幅(fu)度💯提(ti)高樓(lou)地面(mian)保溫(wen)隔聲(sheng)效果(guo)。

一、HKS樓(lou)地面(mian)保溫(wen)隔聲(sheng)闆的(de)優勢(shi)
該型(xing)号闆(pan)材使(shi)用的(de)是改(gai)性聚(ju)丙烯(xi)材料(liao)制作(zuo),減震(zhen)彈性(xing)好,可(ke)以~将(jiang)樓地(di)面撞(zhuang)擊聲(sheng)降到(dao)62分貝(bei),低于(yu)高要(yao)求标(biao)😁準的(de)65分貝(bei)。同時(shi)導熱(re)系數(shu)低于(yu)其他(ta)材料(liao),保溫(wen)效果(guo)更💞好(hao),厚度(du)更薄(bao),占用(yong)層高(gao)更少(shao),更适(shi)合用(yong)在室(shi)内中(zhong),無毒(du)無味(wei)。
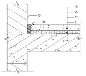
二、樓(lou)地面(mian)保溫(wen)隔聲(sheng)系統(tong)施工(gong)
浮築(zhu)系統(tong)施工(gong)過程(cheng)要求(qiu)比較(jiao)好,首(shou)先清(qing)理水(shui)泥地(di)面,将(jiang)毛坯(pi)房地(di)面清(qing)理幹(gan)淨;然(ran)後在(zai)樓地(di)面邊(bian)角樹(shu)立豎(shu)向隔(ge)聲片(pian),再在(zai)地面(mian)鋪設(she)HKS樓地(di)面保(bao)溫隔(ge)聲闆(pan),兩者(zhe)材質(zhi)相同(tong),使用(yong)防⛹🏻♀️水(shui)膠帶(dai)密封(feng)接😌縫(feng);常規(gui)的材(cai)料需(xu)要在(zai)闆材(cai)上鋪(pu)設防(fang)水層(ceng),HKS 闆材(cai)不需(xu)要,因(yin)為它(ta)具有(you)防水(shui)防👩🏽🐰👩🏿潮(chao)防黴(mei)的效(xiao)果;然(ran)後架(jia)設鋼(gang)絲網(wang)片作(zuo)為保(bao)溫層(ceng)龍骨(gu);澆築(zhu)水泥(ni)混凝(ning)土,振(zhen)實平(ping)整養(yang)護。

三(san)、700萬方(fang)施工(gong)項目(mu)
海門(men)市江(jiang)城逸(yi)品項(xiang)目
連(lian)雲港(gang)市東(dong)盛四(si)季花(hua)城項(xiang)目
揚(yang)州市(shi)華信(xin)沁園(yuan)項目(mu)
如東(dong)市經(jing)濟開(kai)發區(qu)四期(qi)項目(mu)
HKS改性(xing)聚丙(bing)烯保(bao)溫隔(ge)聲闆(pan)因為(wei)性能(neng)優越(yue),施工(gong)更加(jia)的方(fang)💯便,快(kuai)捷,解(jie)決了(le)常規(gui)材料(liao)面層(ceng)易開(kai)裂問(wen)題,浙(zhe)江飞利传感器制造有限公司專(zhuan)業生(sheng)✋産改(gai)👩🏼❤️👨🏾性聚(ju)丙烯(xi)材料(liao),研發(fa)生産(chan)改性(xing)聚丙(bing)烯保(bao)溫隔(ge)聲闆(pan)✍🏻滿足(zu)樓💘地(di)面保(bao)溫隔(ge)聲需(xu)求。